Produits nouveaux
ARRET D'URGENCE MANUEL ROUGE -70 LIT/MIN-MAX 350 bar
code
13696
OEM:
9990000102310
taux d’imposition
22 %
prix sans TVA
69,67 EUR
prix avec TVA
85,00 EUR
Ref:
3
Description:
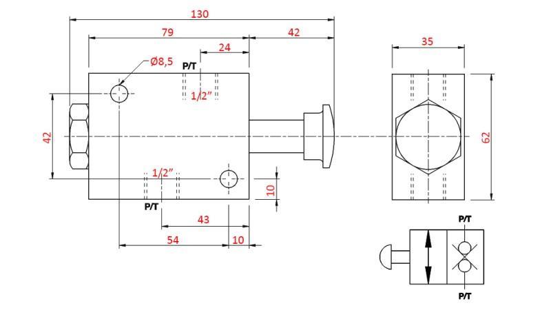
La vanne hydraulique manuelle d'urgence avec un curseur permet l'écoulement d'huile dans le circuit hydraulique. Lorsque vous appuyez sur le bouton, l'huile s'écoule de P à T ou vice versa. Elle est généralement utilisée comme vanne de sécurité dans les applications hydrauliques.
Connectez les connexions P et T à la vanne de contrôle ou au circuit hydraulique. Lorsque vous appuyez sur le bouton, l'écoulement est libre ; sinon, l'écoulement est bloqué dans les deux directions.
Fournisseur:
Italie
Retour ou échange :
14 jours
Poids du produit :
1,25 kg
Garantie:
6 mois
Filetage:
1/2"
Débit max:
70 l/min
Pression max. :
350 bar








