Produits nouveaux
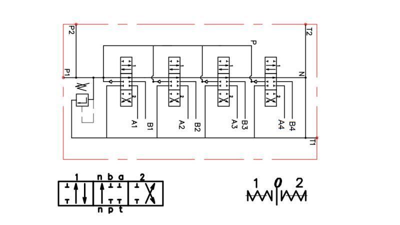
DISTRIBUTEUR HYDRAULIQUE MODULAIRE 4XPC70 - 70 L/MIN
code
12159
OEM:
9990000065530
taux d’imposition
22 %
prix sans TVA
278,69 EUR
prix avec TVA
340,00 EUR
Ref:
5
Fournisseur:
Bulgarie
pression maximale connexion "T":
50 bar
Retour ou échange :
14 jours
Poids du produit :
16,75 kg
Débit nominal :
70 l/min
Garantie:
6 mois
température de fonctionnement :
-40 à + 60°C
pression maximale connexion "P":
250 bar
température de fonctionnement de l'huile:
-15 à +80°C
valve de sécurité réglée en usine :
180 bar
plage de réglage de la soupape de sécurité:
50-250 bar
pression maximale connexion "A" et "B":
300 bar


.jpg)



