Produits nouveaux
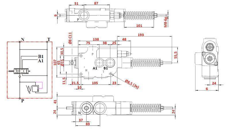
DISTRIBUTEUR HYDRAULIQUE POUR CADRE PORTE OUTILS DE BINEUSE – 1XZ80 A7 ZS17G
code
13812
OEM:
9990000149568
taux d’imposition
22 %
prix sans TVA
102,46 EUR
prix avec TVA
125,00 EUR
Ref:
8
Description:
Cette vanne hydraulique spéciale est principalement destinée à la finition. La vanne contrôle le flux d'huile lors du traitement du sol. Vous pouvez en voir plus dans la vidéo ci-dessous.
Fournisseur:
Bulgarie
pression maximale connexion "T":
50 bar
Retour ou échange :
14 jours
Poids du produit :
3.80 kg
Débit nominal :
80 l/min
Garantie:
6 mois
Filetage:
P, A, B = 1/2"; T, N = 3/4"
pression maximale connexion "P":
250 bar
pression maximale connexion "A" et "B":
300 bar







