Produits nouveaux
DIVISEUR DE DEBIT HYDRAULIQUE V1027 DFL 60-80 LIT - 3/8 - 250 BAR (MAX.300 BAR) BOITIER EN METAL
code
13692
OEM:
9990000102266
taux d’imposition
22 %
prix sans TVA
95,90 EUR
prix avec TVA
117,00 EUR
Ref:
0
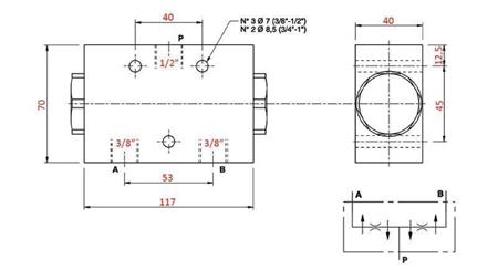
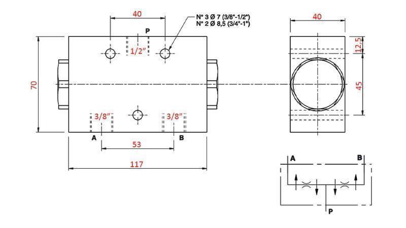
Description :
La vanne de distribution hydraulique débit est utilisée lorsque deux actionneurs identiques (qui ne sont pas mécaniquement connectés et sont alimentés par la même pompe et contrôlés par une vanne) doivent se déplacer simultanément (extension, élargissement, déroulement, compression, levage ...).
Connectez P à la pression, A et B aux actionneurs.
Fournisseur:
Italie
pression de travail max :
250 bar
Retour ou échange :
14 jours
Poids du produit :
1,95 kg
Garantie:
6 mois
Filetage:
P = 1/2" A,B = 3/8"
débit de vanne :
60 - 80 litres
Pression max. :
300 bar



%20KOVINSKI.jpg)
%20KOVINSKI.jpg)
%20KOVINSKI.jpg)


