Produits nouveaux
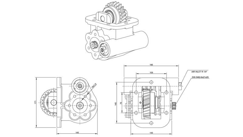
ENTRAÎNEMENT POUR POMPE HYDRAULIQUE - IVECO 2855
code
12875
OEM:
9990000081080
taux d’imposition
22 %
prix sans TVA
299,18 EUR
prix avec TVA
365,00 EUR
Ref:
4
Description :
Les sorties sont adaptées aux véhicules commerciaux où il est nécessaire d'installer une pompe hydraulique. Il est possible d'installer une pompe en fonte de type :
ISO (pompe pour fixation avec trois (3) vis)
UNI (pompe pour fixation avec quatre (4) vis)
Compatible avec les boîtes de vitesses de type :
2845.6 - 2855.6 IVECO
Compatible avec les véhicules : Iveco
IVECO 60.10 - 60.12-75.14-80.14-80.12-85.12-85.14-120.114-140.14-150.14-130E15
150E21-220E21-60.14-65E12-65E14-75.12-75E14-80E15-80E18-85E13-85E15 100E15-100E18-130E15-130E18
Fournisseur:
Turquie
Type:
ISO (3 vis)
Retour ou échange :
14 jours
couple:
240 Nm
contrôle:
mécanique
Révolutions :
1000 rpm
Poids du produit :
11 kg
Garantie:
6 mois
montage:
droite
Charge:
32 Hp (23.3 kW)
rapport de transmission :
1:0,88






