Produits nouveaux
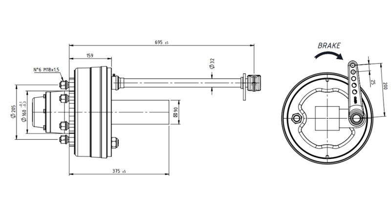
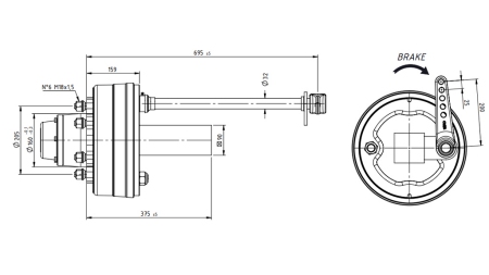
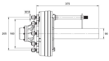
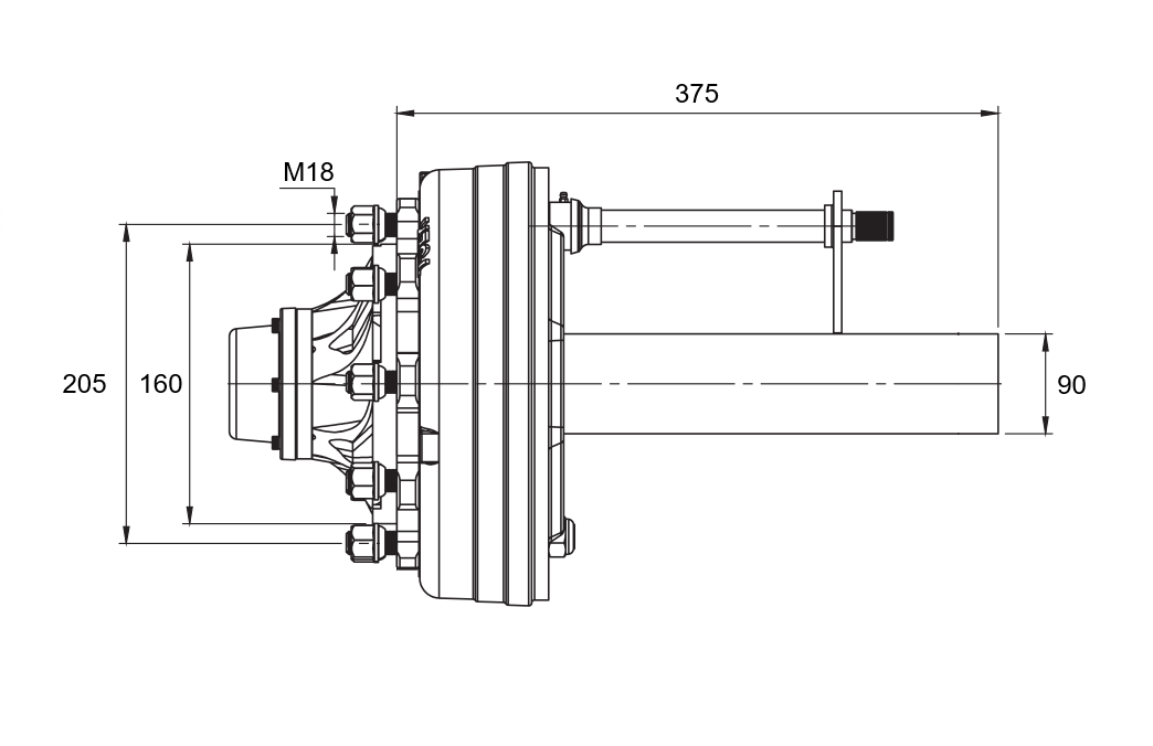
DEMI-ESSIEU AVEC FREINS - 5250 kg (6 VIS) - 290 mm
code
14350
OEM:
9990000170210
taux d’imposition
22 %
prix sans TVA
256,56 EUR
prix avec TVA
313,00 EUR
Ref:
14

Fournisseur:
Turquie
Capacité de charge :
5250 kg
Retour ou échange :
14 jours
Garantie:
6 mois
Longueur:
290 mm
capacité:
5,250 kg


%20-%20290%20mm.jpg)


