Nye produkter
PROPORTIONALE STYREVENTIL TIL TRAKTORS FRONTLÆSSEER - OPEN CENTER LVM92 EHP
| Teknisk information | |
|
Leverandør: |
Türkiye |
|
Returnering eller ombytning: |
14 dage |
|
Garanti: |
6 måneder |
|
Type: |
ÅBEN CENTER |
|
Arbejdstryk: |
250 bar |
|
Nominal flow: |
90 liter/min |
|
Tilslutningstråd: |
1/2" |
|
Antal sektioner: |
2 |
Beskrivelse
LVM92-EHP er en monoblokventil designet til traktor frontlæssere, som tilbyder fremragende proportional funktionskarakteristik og nem installation. Den har flowhastigheder på op til 90 l/min og arbejdstryk på op til 250 bar.
Ventilen giver fuldt elektrisk proportional kontrol, inklusive flydefunktionen, uanset belastning og driftsforhold.
Sættet inkluderer ventilen, en proportional styrejoystick og elektrisk ledningsføring.
Anvendelse

For korrekt systemfunktion skal alle nedenstående trin følges nøje:
- Foretag forbindelsen som vist ovenfor.
- Sørg for, at hydraulikakkumulatoren er korrekt tilsluttet.
- Kontroller, at indgangstrykket ikke overstiger 250 bar.
- Sørg for, at det nominelle flow er 90 l/min.
- Kontroller, at tilslutningerne på porter B1, A1, A2 og B2 er korrekt forbundet.
- Sørg for, at drænings- (lækage-) linjen er korrekt tilsluttet.
- Kontroller, at T (tank) og P (tryk) linjerne er forbundet og fungerer korrekt.

- Hvis du har to ventiler i hydrauliklinjen, skal du forbinde carry-over udgangen fra den første ventil til trykindgangen på den anden ventil.
- Hvis kun én ventil bruges, skal ventilens carry-over udgang forbindes direkte til tanken.


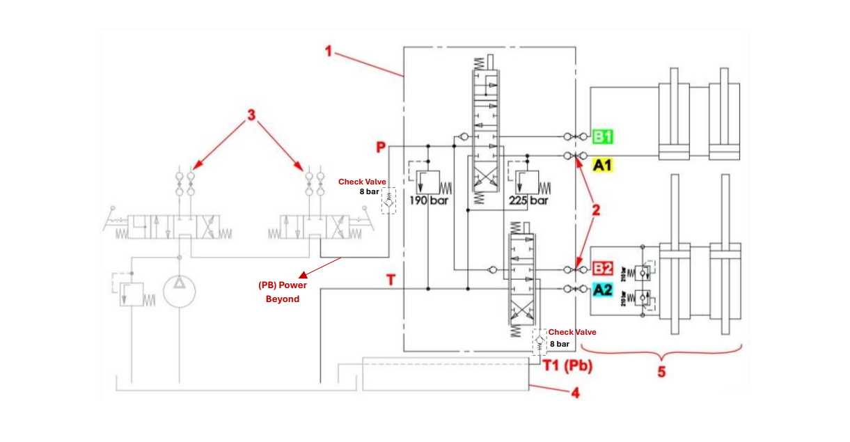
Diagrammet viser et ÅBEN CENTER hydrauliksystem:
1. Proportionalventil (LVM92 EHP) til højre side af monteringsfladen.
2. Interface til traktorens frontlæsser.
3. Hydraulikventiler, der allerede er installeret på traktoren og kan anvendes til andre forbrugere.
4. Andre ventiler eller hjælpeventiler.
5. Traktor frontlæsser.
Tre hydrauliklinjer (P, T1, T) forbinder den ÅBEN CENTER proportionalventil til traktorens hydrauliksystem:
- P – tryklinje
- T – returlinje (tank)
- T1 – trykoverførsel (Power Beyond – "PB") + 8 bar fjederbelastet tilbageslagsventil

Forbind ventilen som vist ovenfor:
- Sørg for, at systemets spænding er 12 V.
- Kontroller, at strømforsyningskablet er korrekt tilsluttet.
- Systemet skal inkludere en kædeledning og en 120-ohm modstand.
- Efter tilslutning af joystick skal ACAS LED'erne lyse grønt.
- Kontroller, at alle kabler er sikkert og korrekt forbundet.

- BLÅ knap: 6/2 retningsventil (øjeblikkelig trykknap)
- RØD knap: flydefunktion (låseknap)
- GRØN knap: langsom/hurtig (låseknap)
Flydefunktion: Bevæg joysticket i B1 (senkning) retning. Mens joysticket er i B1 positionen, tryk på flydeknappen (FLOAT) for at aktivere flydetilstand. Advarsel: Udfør ikke denne operation, når læsseren er hævet for højt.









