Új termékek
ÖNTVÉNY KÖRFŰRÉSZ TENGELY 300MM (BAL MENET)
Kód:
14556
OEM:
9990000172658
Adó mértéke
22 %
Ár áfa nélkül:
34.805,97 HUF
Ár áfával:
42.463,28 HUF
Ref:
2
|
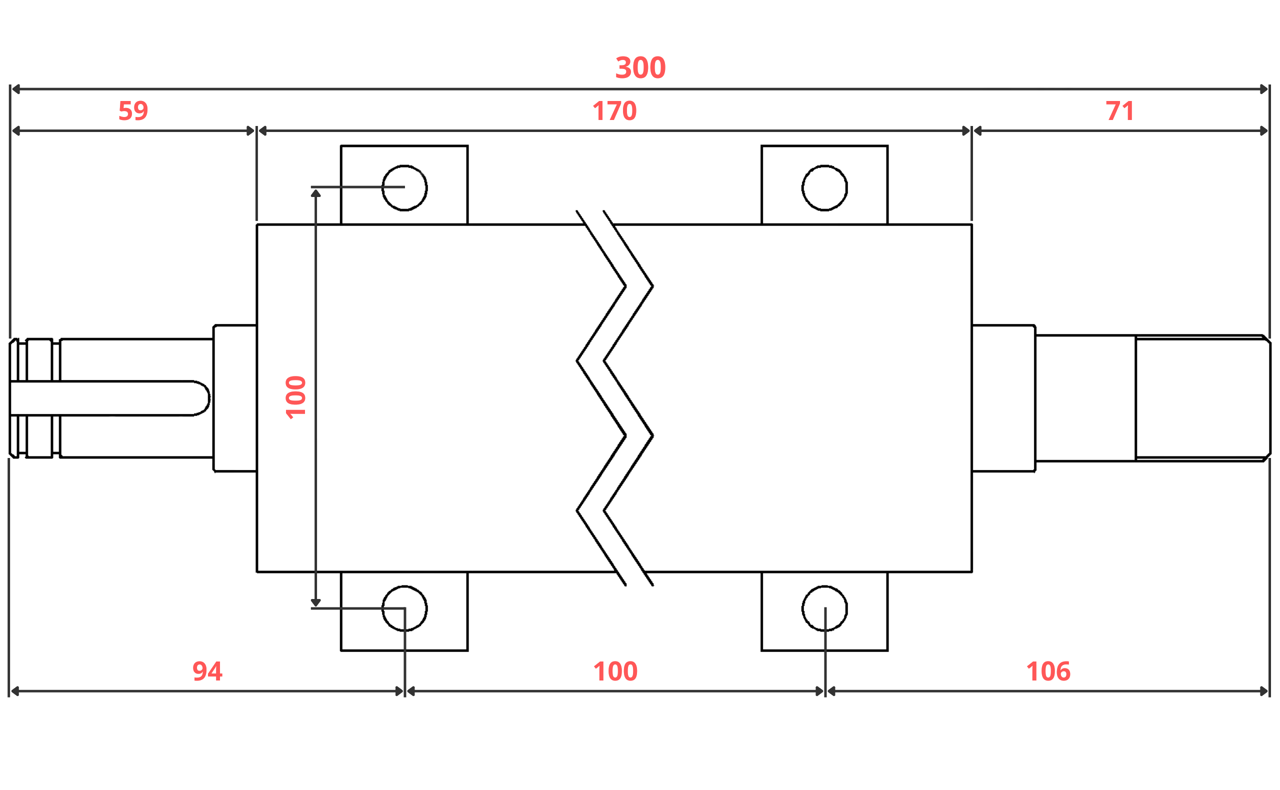
Műszaki adatok |
|
| Szíjtárcsa átmérő: | 90 mm |
| Beszállító: | Lengyelország |
| Visszaküldés vagy csere: | 14 nap |
| Szíj méret: | 2 × 17 mm |
| Garancia: | 6 hónap |
| Menet: | M30 × 2 Balmenet |
| Anyag: | Öntöttvas, a tengely és a szíjtárcsa acélból készült |
LEÍRÁS:
Kompakt és masszív tengely körfűrészekhez ...
Fő előnyök
-
Kiváló minőségű csapágyház a stabilitásért
-
Precízen vezetett tengely ...
-
Kettős ékszíj hajtásra előkészítve ...
-
Balmenetes M30×2 ...
-
Könnyű telepítés és karbantartás
Tipikus alkalmazások
Tűzifafűrészek ...












