Nye artikler
ERC04 GIRKASSE FOR ELEKTRISK MOTOR MS100 (2.2-3-4KW) FORHOLD 25:1
Beskrivelse:
ERC girkasser brukes i kombinasjon med elektriske motorer. ERC girkasser er designet basert på et modulært system. Vi kan koble forskjellige typer motorer (klassisk, frekvens, brems ...). Det brukes i applikasjoner som bygging, næringsmiddelindustri (kjøttkverner...), drivremmer (ruller, osv.) og mer.
Girkassen reduserer omdreiningene til den elektriske motoren til den verdien vi ønsker å operere med. Girkassene har et forhold på 25:1.
Når du installerer girkassen, må du alltid sørge for at:
- dataene på typeskiltet samsvarer med dataene til den bestilte varen
- kassen og akslene er rene og uskadet
- overflaten som girkassen er festet til er flat og sterk nok
- girkassen og den elektriske motorakslen passer godt
- hvis det er mulighet for vibrasjoner eller blokkering, må en momentbegrenser installeres
- roterende deler er dekket med plastdeksler
- utstyret som brukes utendørs må være tilstrekkelig værbeskyttet
- driftsforholdene ikke forårsaker korrosjon (med mindre det er avtalt på forhånd og girkassen og den elektriske motoren er riktig forberedt)
- gir, akselgir, inngangs-/utgangsaksler er riktig sikret slik at de ikke blir radiale eller aksiale laster som overskrider den maksimalt tillatte grensen
- alle koblinger er belagt med antikorrosjonsmateriale for å forhindre oksidasjon ved kontakt
- alle festeskruer må være sikkert strammet
- ikke stram fotene på kassen og monteringsflensene mot hverandre og sørg for at du overholder den tillatte radiale og aksiale lasten.
- Før oppstart, sjekk olje nivået anbefalt for den monterte posisjonen. Olje kontroll- og dreneringsskruen og ventilventilen er lett tilgjengelige.
- Slå aldri på remskiver, koblinger, gir, osv. på enden av akselen med en hammer. Dette vil skade lageret, kassen og akselen
Alle beregninger er basert på elektriske motorer med 1400 omdreininger. Hvis du bruker en elektrisk motor med en annen hastighet enn 1400 omdreininger per minutt, del inngangsomdreiningene med girkasseforholdet for å få utgangsomdreiningene.
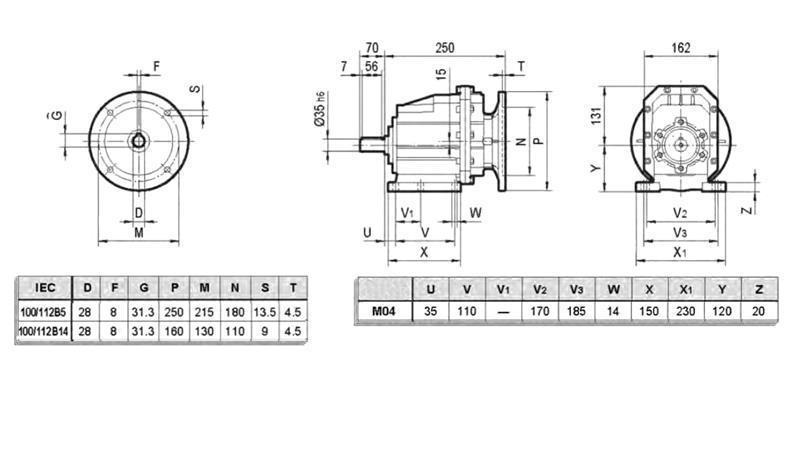
Mer teknisk data kan finnes i vedlegget 'DIMENSJONER - DATABLAD'.



%20RAZMERJE%2025proti1.jpg)
%20RAZMERJE%2025proti1.jpg)
%20RAZMERJE%2025proti1.jpg)


