Nye artikler
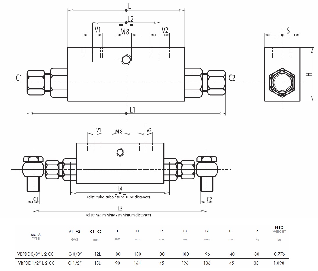
BLOCK VALVE VBPDE 3/8 - 35LIT
Blokkeringsventil:
Tjener for sikkerhet (i tilfelle av hydraulisk slange skade, forblir sylinderen i samme posisjon). Blokkeringsventilen sikrer også at slangene ikke er under trykk, slik at forskjellige krefter på sylinderen ikke belaster den hydrauliske ventilen eller det hydrauliske systemet.
Bruk:
Blokkeringsventiler brukes til å blokkere sylinderen i begge retninger av drift. Strømmen slippes først i én retning og blokkeres i den andre retningen inntil kontrolltrykket påføres i den andre retningen. Funksjonen fungerer omvendt i den andre retningen også. Blokkeringsventiler er enkle å montere på eksisterende hydrauliske sylindere.
Materiale:
Jern - galvanisert
Innvendig av ventilen laget av hardmetall deler
Tetninger BUNA N standard
Tilkobling:
Koble hydraulisk trykklinje til V1 og V1. Koble C1 og C2 til aktuatoren (hydraulisk sylinder).







