Nieuwe artikelen
CETOP BASIS NG10-1-RV
| Technische informatie | |
|
Leverancier: |
Turkije |
|
Retour of ruilen: |
14 dagen |
|
Garantie: |
6 maanden |
|
Type: |
NG10-1-RV |
|
Materiaal: |
Aluminium |
|
Druk: |
max. 250 bar |
|
Debiet: |
max. 80 l/min |
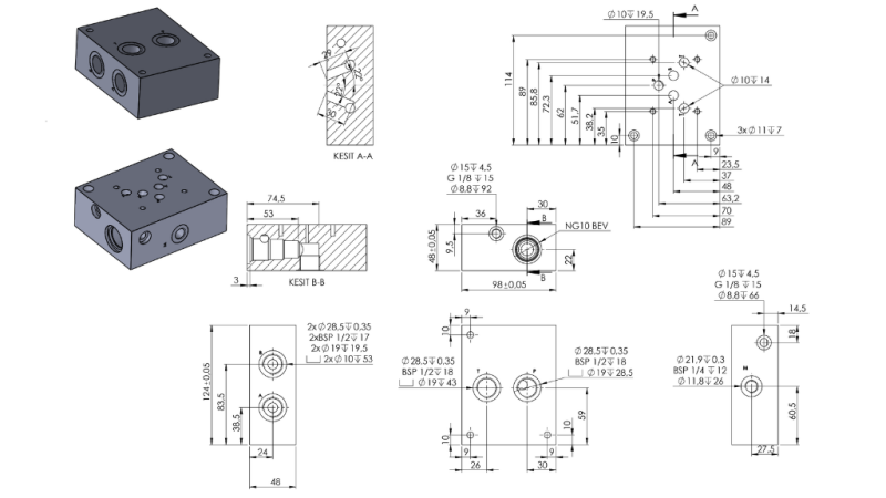
Beschrijving
De CETOP NG10-1 subplaat is een gestandaardiseerde montageplaat ontworpen voor de installatie van hydraulische kleppen van formaat NG10 (CETOP 5) volgens de ISO 4401-05 norm. Het maakt een eenvoudige, snelle en betrouwbare verbinding van de klep met het hydraulische systeem mogelijk.
De CETOP NG10-RV subplaat is een verbeterde versie van de standaard NG10 (CETOP 5 / ISO 4401-05) subplaat, voorzien van een geïntegreerd drukontlastventiel. Het is ontworpen om het hydraulische systeem te beschermen tegen overdruk en zorgt voor een veilige en betrouwbare werking.
Het geïntegreerde ontlastventiel maakt drukbeperking direct op de subplaat mogelijk, vermindert de noodzaak voor extra componenten, vereenvoudigt de installatie en zorgt voor een compacter systeemontwerp.
Afmetingen









