Нови артикули
ХИДРАВЛИЧЕН КЛАПАН 2XP80
Общо описание:
Ръчен или механичен хидравличен клапан Р80 е предназначен за разпределение и контрол на работния поток между хидравличната помпа и потребителите (цилиндри, хидравлични мотори…).
Хидравличните клапани се използват за различни цели в селското стопанство, индустрията, строителството и др. за контрол на:
- едностранни цилиндри
- двустранни цилиндри
- хидравлични мотори
- плаващи функции (за плуг)
- джойстици (нагоре-надолу, наляво-надясно)
Те са сглобени в блок от 1 до 6 лоста.
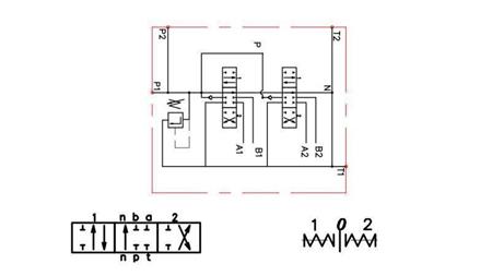
Работа:
Всички хидравлични клапани са оборудвани с предпазен клапан. В неутрална позиция (лостът в средата), маслото циркулира през клапана. Когато лостът се премести на една или друга страна, хидравличният клапан предизвиква движението на цилиндъра или въртенето на хидравличния мотор в една или друга посока. След освобождаване на лоста, той автоматично се връща в неутрална позиция, хидравличният мотор или цилиндър спират в текущата позиция, а маслото отново циркулира през клапана. Възможно е да се използва т.нар. 'затворен център' елемент, който променя клапана така, че в неутрална позиция, маслото да не циркулира през клапана или такъв клапан вече да не тече. При използване или свързване на други клапани, е необходимо да се използва елемент 'carry over', който позволява подаване на масло за други клапани.
За клапани с шпиндели за плаваща функция, той позволява свободен поток на масло за цилиндъра, което последователно означава, че цилиндърът се движи свободно (или снегоринът се адаптира към терена).
Клапаните с шпиндели за едностранни цилиндри са предназначени за едностранни цилиндри.
Конструкция:
Р80 е моноблоков разпределителен клапан. Изработен е от чугун EN-GJL300. Шпинделите са изработени от въглеродна стомана и са хард хромирани.
Свързвания:
Шпинделът е завит с два винта M8.







